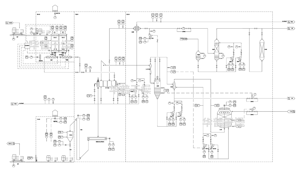
空心槳葉干燥機結構圖
進入收集來的車載污泥存儲于混凝土料倉,經底部泵輸送系統(或抓斗行車系統)定量連續加入到干燥機內,物料在干燥機內與葉片充分接觸,物料被加熱,物料一邊干燥一邊向后移動,干燥后的物料經連續排出進入刮板機,最后進入料倉。
干燥利用低壓飽和蒸汽或過熱蒸汽對物料間接加熱,使其中的水分蒸發,蒸氣冷凝成水通過疏水閥排出,冷凝水回收再利用。
干燥機殼體內設定為負壓操作,干燥蒸發出的水蒸氣經負壓引出,進入旋風除塵器進行除塵,凈化后進入冷凝器進行降溫冷凝脫水。產生的尾氣經風機進入后續焚燒系統。冷凝器采用循環冷卻水對水蒸氣進行冷卻。
污泥干燥大多采用傳導加熱形式的臥式圓盤干燥機或空心槳葉干燥機。
空心槳葉式干燥機工作原理
在干燥器筒體上設置夾套,空心軸上設置空心漿葉,在其中通熱載體,濕物料在攪拌漿葉的攪拌下筒體及漿葉熱表面進行充分熱交換,以達到干燥的目的。
